Refroidisseurs d’armoires électriques NEMA 4 (IP66) – Cabinet Cooler®
Finis les temps d’arrêt des commandes électroniques dus à la chaleur, à la pollution et à l’humidité, à l’intérieur comme à l’extérieur !
Refroidisseurs d’armoires électriques pour refroidir les boîtiers intérieurs et extérieurs étanches à la poussière et à l’huile et protégés contre les projections d’eau. Les vannes unidirectionnelles assurent l’étanchéité aux liquides lorsqu’elles ne sont pas utilisées.
- Fournit de l’air propre et froid aux boîtiers électroniques
- Les vannes basse pression préservent l’intégrité NEMA 4
- Fabriqué en aluminium et en acier inoxydable de type 303 pour une longue durée de vie
Quels sont les avantages des refroidisseurs d’armoire électrique EXAIR ?
Le tube vortex contenu dans les refroidisseurs d’armoire électrique EXAIR est en acier inoxydable. La résistance de l’acier inoxydable à l’usure, à la corrosion et à l’oxydation garantit une longue durée de vie et un fonctionnement sans entretien.
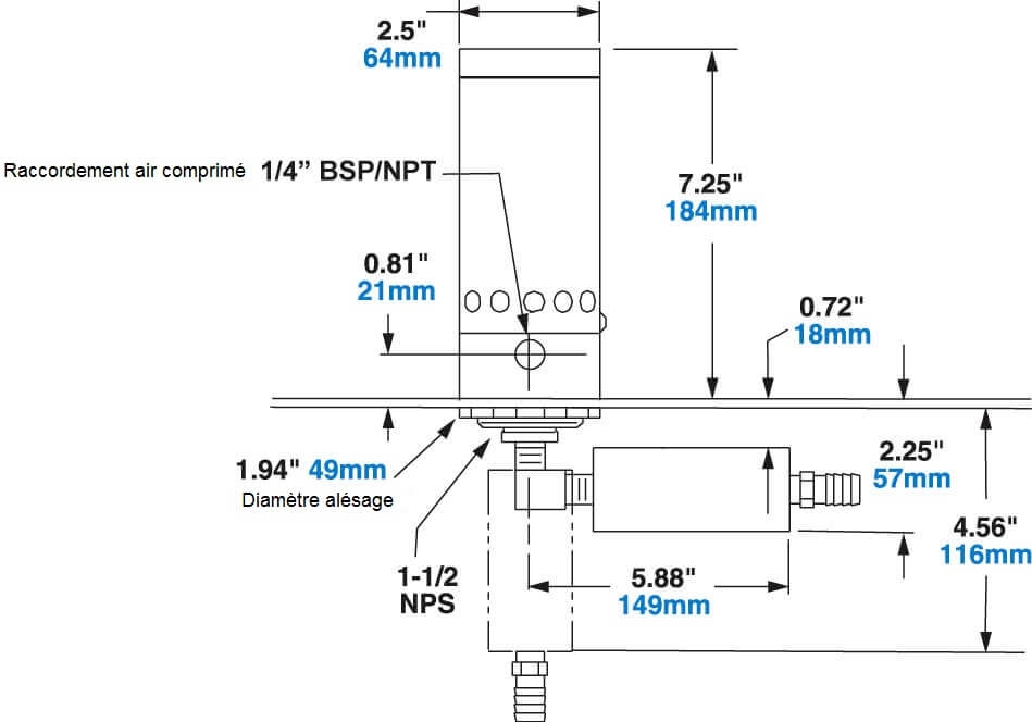
Les refroidisseurs d’armoire électrique de classe de protection NEMA 4 (équivalent à IP66) sont étanches à la poussière, à l’huile et aux projections d’eau. Ils peuvent être utilisés à l’intérieur comme à l’extérieur. La soupape de décharge incluse se ferme lorsque le refroidisseur n’est pas en service. Cela crée une étanchéité qui maintient l’intégrité de l’enveloppe NEMA 4, même lorsque le refroidisseur ne fonctionne pas.
Le formulaire du guide de dimensionnement vous aidera à choisir le bon modèle de refroidisseur d’armoire électrique.
Calculer ici le refroidisseur d’armoire électrique – Sélectionner le bon modèle ou la bonne taille
Nous avons besoin de connaître les conditions techniques de votre site pour vous proposer le refroidisseur d’armoire électrique le plus adapté.
Les refroidisseurs d’armoire électrique EXAIR sont disponibles avec ou sans thermostat. Les refroidisseurs à fonctionnement continu (séries 4200 et 4700) sont recommandés lorsqu’un refroidissement et une pression positive constants sont souhaités. Un modèle à contrôle thermostatique permet d’économiser de l’air, puisque les refroidisseurs ne sont activés que lorsque la température interne atteint un niveau critique. Les systèmes thermostatiques sont utiles lorsque la chaleur est variable et qu’une surpression constante n’est pas nécessaire.
Tous les systèmes de refroidissement d’armoires électriques EXAIR comprennent un filtre 5 microns avec purge automatique des condensats pour l’alimentation en air comprimé et un jeu de tuyaux pour que l’air froid puisse toujours circuler dans l’armoire.
Comment fonctionnent les refroidisseurs d’armoire électrique ?
L’air comprimé entre dans le refroidisseur d’armoire électrique fonctionnant avec un tube vortex et est divisé en deux flux, l’un chaud et l’autre froid. (Pour plus d’informations sur le fonctionnement des tubes vortex, voir la section « Tubes vortex »). L’air chaud provenant du tube vortex est amorti et sort par la sortie. L’air froid est expulsé dans l’armoire électrique via le kit de distribution d’air froid. L’air chaud déplacé dans l’armoire s’élève et est rejeté dans l’atmosphère par la sortie d’air de l’armoire avec une légère surpression. De cette manière, l’armoire électrique est à la fois refroidie et rincée avec de l’air pur et frais. L’air extérieur ne peut à aucun moment pénétrer dans le tableau électrique.
Versions

Cabinet Cooler NEMA 4 (IP66)
Les Cabinet Cooler NEMA 4 (IP66) (étanches à la poussière et à l’huile) sont idéaux pour les environnements industriels généraux où il n’y a pas de liquides ou de substances corrosives. Un système de refroidissement d’armoire électrique NEMA 4 est disponible avec un contrôle thermostatique ou comme système de fonctionnement continu. Les refroidisseurs d’armoires électriques sont un moyen économique et fiable de refroidir et de rincer les tableaux électriques. Le Cabinet Cooler compact s’installe en quelques minutes par une sortie électrique standard.

HT (High Temperature) Cabinet Cooler NEMA 4 (IP66)
Les refroidisseurs d’armoire électrique NEMA 4 (IP66) HT (étanches à la poussière, à l’huile et aux projections d’eau, pour une utilisation à l’intérieur et à l’extérieur) sont équipés d’une soupape de décharge basse pression à la fois pour le tube vortex et pour l’air d’évacuation de l’armoire. Un système Cabinet Cooler® NEMA 4 est disponible avec un contrôle thermostatique ou comme système de fonctionnement continu. Les refroidisseurs d’armoire électrique haute température pour des températures ambiantes de 52 °C à 93 °C (125 °F à 200 °F) sont disponibles dans de nombreuses capacités de refroidissement pour les grands et petits tableaux électriques. Ils sont un moyen économique et fiable de refroidir et de rincer les tableaux électriques. Les Cabinet Coolers EXAIR sont équipés d’un tube vortex qui produit de l’air froid à partir d’air comprimé, sans pièces mobiles. Le refroidisseur d’armoire électrique compact s’installe en quelques minutes par une sortie électrique standard.












