Adjustable Air Amplifier – amplificateurs de flux d’air réglables pour un réglage précis du flux d’air

Que sont les amplificateurs de flux d’air réglables ?
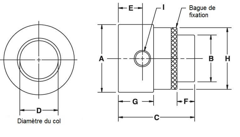
Les Adjustable Air Amplifiers (amplificateurs de flux d’air réglables) possèdent un bon rapport d’intensification et sont très simples d’utilisation. L’entrefer est réglable à l’infini, ce qui permet de réguler la consommation et le débit de sortie d’un « souffle » à un « choc ». Ils sont disponibles en aluminium ou en acier inoxydable pour l’industrie alimentaire, les températures élevées (204°C) et les applications corrosives. De même, des amplificateurs d’air en acier inoxydable sont disponibles pour les hautes températures jusqu’à 374°C. N’hésitez pas à nous contacter.
Qu’il s’agisse de souffler, d’aérer, de ventiler, de refroidir ou même de nettoyer, l’amplificateur d’air peut être ajusté de manière optimale !
La force et le débit de l’Adjustable Air Amplifier sont réglés en tournant l’orifice de sortie (lorsque la bague moletée est desserrée), ce qui ouvre ou ferme l’entrefer permanent. Lorsque la puissance souhaitée est atteinte, la bague moletée peut être serrée pour maintenir le débit dans ce réglage. Dans la plupart des cas, un entrefer de 0,05 mm à 0,10 mm est idéal.

Des amplificateurs d’air réglables et des buses de soufflage (Adjustable Air Amplifier et High Velocity Jets) sèchent un bloc moteur avant son installation







