Adjustable Air Amplifier™ – Highly effective air mover with no moving parts!

What Are Adjustable Air Amplifiers?
Adjustable Air Amplifiers have good amplification ratios and are very easy to use. The air gap is infinitely adjustable which regulates the consumption and outlet flow from a “breeze” to a “blast”. They are available in aluminum or in stainless steel for food service, higher temperatures (400°F/204°C), and corrosive applications. High Temperature Stainless Steel Air Amplifiers for temperatures up to 700°F (374°C) are available. Please contact your distributor.
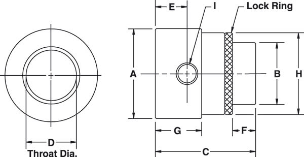
Force and flow for the Adjustable Air Amplifier is changed by turning the exhaust end (with the knurled ring loose) to open or close the continuous air gap. When desired performance is obtained, the knurled ring can be tightened to lock the flow at that setting. In most cases,
a .002″ to .004″ (.05mm to .10mm) air gap is ideal.

Adjustable Air Amplifiers and High
Velocity Jets dry an engine block
prior to assembly.
More product information
FAQ’s
Airflow amplifiers, or Venturi nozzles, offer a simple and inexpensive approach to moving or extracting gases (e.g., air or smoke) and light materials. This is why our airflow amplifiers are used for ventilation, cooling, drying, cleaning, heat distribution, extraction and ventilation.
Frugal compressed air consumption: using the Coanda effect means that very little compressed air is required to carry a high volume of ambient air. The air volume amplification is up to 25 times the compressed air infeed depending on the model! The result is a very large volume of air at high speed at the nozzle outlet.
Our airflow amplifiers have a patented design with a special spacer film (shim) which fixes the air gap optimally. We offer a separate spacer film set if you want increase the air gap. The symmetrical output airflow massively reduces the shear wind so that the resulting noise level is typically three times quieter than other airflow amplifiers.
The Super Air Amplifier has the highest boost ratio (up to 25 times the compressed air input!) and up to 40% lower air consumption than the adjustable airflow amplifier. This makes the model the most efficient of our venturi nozzles. Thanks to the patented design, the air outlet gap can be varied using a spacer film to control the airflow. We offer shims of various thicknesses on request. The two integrated flanges allow for easy fastening of the Super Air Amplifier (exception: Model 120028, 8″)
Material: Aluminium (temperature resistant up to 135 °C)
The controllable Air Amplifier has an infinitely adjustable air gap – this means that you can control the air consumption and the output flow from a “breeze” to a “jet”.
Material: Aluminium (temperature resistant up to 135 °C) or stainless steel (temperature resistant up to 204 °C)
No, you can’t increase the compressed air pressure with an airflow amplifier. An airflow amplifier increases the volume, not the pressure. That means that you only need a small amount of compressed air to generate a high air volume on the output side. This is why you can look forward to compressed air cost reductions for operations such as ventilating, cooling, drying, cleaning, heat distribution or extraction.







