Digital Flowmeter™ – Monitor compressed air usage and waste!

What Is The Digital Flowmeter?
EXAIR’s Digital Flowmeter is the easy way to monitor compressed air consumption and waste! The digital display shows the exact amount of compressed air being used downstream. This makes it possible to save thousands of dollars per year in compressed air waste – helping to identify costly leaks or inefficient air products. Many companies install the Digital Flowmeter on each major leg of their air distribution system to constantly monitor and reduce compressed air usage.
Why the Digital Flowmeter?
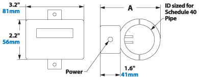
The Digital Flowmeter has an LED display that directly indicates the SCFM of airflow through that pipe (other flow meters require the reading to be multiplied by a specific conversion factor to be accurate). Two models are available for use on Schedule 40 iron pipe – one designed for 1″ Schedule 40 iron pipe and the other for 2″. Each Digital Flowmeter is calibrated for the specific pipe size it is mounted to.
The Digital Flowmeter is designed for permanent mounting to the pipe. It requires the user to drill two 3/16″ diameter holes through the pipe using the included drill bit and locating fixture. The two flow sensing probes of the flowmeter are inserted in these holes. The unit seals to the pipe once the two clamps are tightened. No cutting, welding, adjustments or calibration are ever required.
Summing Remote Display
The Summing Remote Display for the Digital Flowmeter has a four digit LED display that directly indicates m³/hour of airflow through the pipe it is mounted upon.

The Summing Remote Display shows that flow measurement, the daily and cumulative usage and is frequently used when the Digital Flowmeter is in an obscure, hard to read location. It is prewired with 15,20 m of cable and is powered by the Digital Flowmeter.
| Model | Display |
|---|---|
| 9150-M3 | LED, Readout displays m³/hr |

USB Data Logger
The award-winning Model 9147 USB Data Logger connects directly to your Digital Flowmeter and is simple to use. Download the software to configure the Data Logger to record your flow rate from once a second (about nine hours of data) up to once every 12 hours (over two years).
Please click here for download Data Logger Software.
When the Data Logger is removed from the Digital Flowmeter and plugged into a computer, the data can be viewed in the software or exported directly into Microsoft Excel®. The Data Logger is available pre-installed on the Digital Flowmeter.
| Model | USB Data Logger |
|---|---|
| 9147 | USB Data Logger for Digital Flowmeter |


