Full-Flow Air Knife™ – This low cost choice provides a curtain of air for blowoff, cleaning, drying and cooling.

What is the Full-Flow Air Knife?
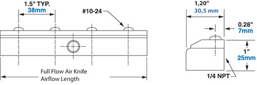
EXAIR’s Full-Flow Air Knife is an effective way to clean, dry or cool parts, webs or conveyors. It utilizes the coanda effect to pull in large volumes of surrounding air, producing a high flow, high velocity curtain of air. The “Full-Flow” provides airflow across the entire length. A 12″ (305mm) Full-Flow Air Knife measures 12″ (305mm). It has the compressed air inlet(s) on the rear. Inlets are available on each end at a small additional charge but are not recommended when uniform airflow is required.
Specials are available. Please contact us!
FAQ’s
- Air curtain made of aluminium with a plastic shim up to 82 °C
- Air curtain made of aluminium with a stainless steel shim up to 205 °C (custom built)
- Air curtain made of stainless steel with a stainless steel shim up to 427 °C*
- Air curtain made of PVDF with a PVDF shim up to 135 °C
*Temperatures above 427 °C can cause intracrystalline corrosion which obstructs the air gap.
Our Air Knives are engineered to provide a consistent and laminar airflow right from the start. If you observe any deviation from this, it may result in the accumulation of contaminants inside the Air Knife. In such cases, we recommend opening and cleaning the Air Knife as per the provided operating instructions.
For Air Knives exceeding a length of 18 inches, it is essential to supply compressed air through multiple input points, with up to 6 inputs required depending on the length, to ensure an even distribution of airflow. Additionally, please note that when dealing with the PVDF Air Knife, material characteristics can also impact the uniformity of the airflow.
Did you know that a single 3-mm hole consumes as much compressed air as a Super Air Knife model with a length of 152 mm (6″)? Additionally, an air knife offers a low noise level (below 70 dBA given an unobstructed blow-off path) and does not have a dead end (safety at work).
The amortisation period if you replace holes with optimised blow-off nozzles is less than 6 months.
To be able to answer this question, we need to investigate the specific use case. For example, the Super Air Knife could be operated with water to cool a workpiece or flush away loose residues. Experience shows that the water jet initially has a uniform outflow and then eddies further away from the air curtain. This means that use with water is possible.
If you need 360 ° wetting with water, we recommend our Super Air Wipe annular nozzle. The input pressure is up to 2 bar.
Of course, we also have legacy atomiser nozzles in various designs in our portfolio. They are suitable for cooling, washing, wetting, moistening, lubricating, etc.




